<>
<>
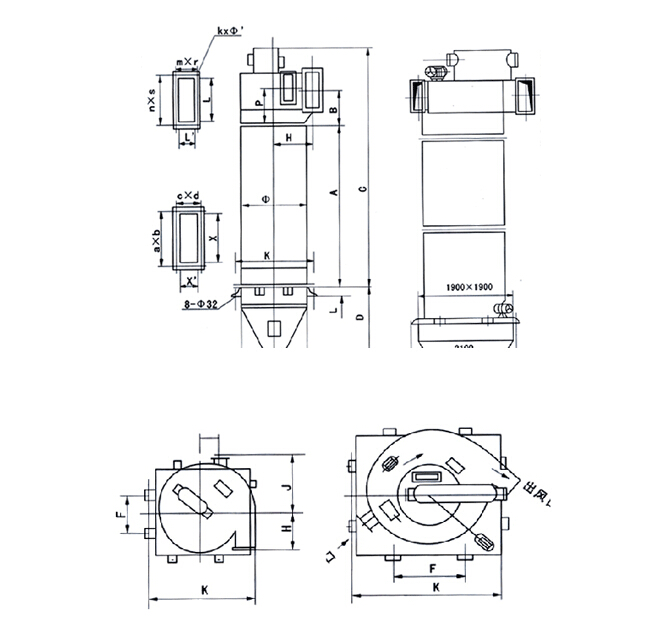
SZD型組合電除塵器將電旋風、電抑制、電凝聚等三種復式收塵機理組合為一體,屬世界首創,具國際先進水平。
SZD型組合電除塵器適用于建材冶金、化工、電力等行業、治理污染、回收物料,用于水泥磨收塵。
SZD/4-1600型
S—設備類屬收塵
Z—組合電收塵
4—并聯臺數
1600—筒體直徑 mm
| 規格 | SZD-1370 | SZD/2-1370 | SZD/4-1370 | SZD/5-1370 | ZD-1600 | BZD/2-1600 | BZD/3-1600 | BZD/5-1600 | |
| 型號 | |||||||||
| 筒徑×臺數 | 1370×1 | 1370×2 | 1370×4 | 1370×5 | 1600×1 | 1600×2 | 1600×3 | 1600×5 | |
| 主電場斷面積(m2) | 1 | 2 | 4 | 5 | 1.5 | 3 | 4.5 | 7.5 | |
| 處理風量(m3/h) | 3000-4000 | 6000-8000 | 12000-16000 | 24000-32000 | 4000-5500 | 8000-10500 | 12000-16500 | 30000-44000 | |
| 電場風速(m/s) | 電旋風 | 1.9-2.8 | 1.9-2.8 | 1.9-2.8 | 1.9-2.8 | 2.4-3.4 | 2.2-3.3 | 2.4-3.6 | 2.36-3.2 |
| 電凝聚 | 0.84-1.2 | 0.84-1.2 | 0.84-1.2 | 0.84-1.2 | 0.8-1.15 | 0.74-1.1 | 0.8-1.2 | 0.8-1.2 | |
| 允許含塵濃度(g/Nm3) | 100 | ||||||||
| 除塵效率(%) | 99.9 | ||||||||
| 允許煙氣溫度(℃) | 200大于200℃特殊定貨 | ||||||||
| 允許負壓(mmH2O) | 200 | ||||||||
| 壓力損失(mmH2O) | 100 | ||||||||
| 振打方式 | 電機振動式 | ||||||||
| 重量(kg) | 3150 | 6374 | 9550 | 16700 | 3308 | 6615 | 9870 | 17690 | |

